Каталог товарів
Меню

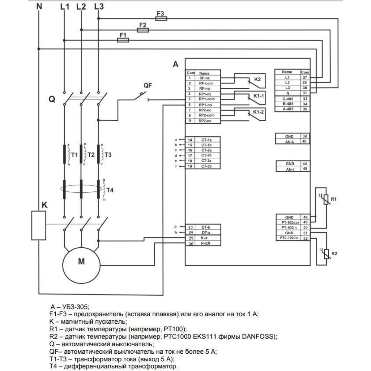
Універсальний блок захисту електродвигунів УБЗ-305

0 відгуків
Код:

7 605 грн.
В наявності
Доставка. Самовивіз з поштових відділень Нова Пошта та Укр Пошта або доставка кур'єром на адресу

Оплата. Оплата під час отримання товару, Google Pay, Безготівковий для юридичних та фізичних осіб, Apple Pay, Передплата на картку продавця, Оплата карткою Visa/MasterCard

Гарантія. 12 місяців
Обмін/повернення товару впродовж 14 днів
Опис
УБЗ-305 призначений: – для захисту асинхронних електродвигунів потужністю від 2,5 до 315 кВт при використанні зовнішніх стандартних струмових трансформаторів з вихідним струмом 5 А; – для постійного контролю параметрів мережевої напруги, діючих значень фазних (лінійних) струмів трифазного електрообладнання 380 В 50 Гц і перевірки значення опору ізоляції електродвигунів. Виріб може працювати в мережах як з ізольованою, так і глухозаземленою нейтраллю; УБЗ-305 забезпечує захист електродвигунів: при неякісному мережевому напрузі (неприпустимі скачки напруги, обрив фаз, порушення чергування і злипання фаз, перекосу фазних/лінійних напруг, зниження частоти мережі нижче заданої і (або) підвищення частоти мережі вище заданої); при механічних перевантаженнях (симетричний перевантаження по фазним/лінійних струмів); при перевищенні порогу струмом зворотної послідовності; при несиметрії фазних струмів без перевантаження, пов“язаної з порушенням ізоляції всередині двигуна і/або підвідного кабелю (порівняння коефіцієнта несиметрії струму зворотної послідовності з коефіцієнтом несиметрії напруги по зворотній послідовності); при зникненні моменту на валу електродвигуна («сухий хід» – для насосів) захист щодо мінімального пускового та/або робочого струму; при затягнутому пуску двигуна або блокуванні ротора; при неприпустимо низькому рівні ізоляції між статором і корпусом двигуна (перевірка перед включенням); при замиканні на землю «обмотки статора під час роботи захист від струмів витоку на землю«; при тепловій перевантаження двигуна; при перегрів обмоток (визначається температура обмоток при використанні вбудованих в двигун температурних датчиків або температура корпусу при використанні зовнішніх температурних датчиків). По кожному типу захисту можлива заборона і дозвіл АПВ навантаження. Виріб забезпечує захист електрообладнання шляхом управління котушкою МП (контактора). УБЗ-305 визначає наявність струмів двигуна при відключеному реле навантаження (при відключеному реле навантаження і функціональному реле в режимі зірка – трикутник), в цьому випадку УБЗ-305 відображає аварію зовнішнього контактора, що включає двигун, до тих пір, поки виріб не буде вимкнено.
Характеристики
Стан Нове
Матеріал корпусу Пластик
Ступінь захисту IP 40
Тип монтажу На DIN рейку
Частота струму 50
Кількість замикаючих контактів 2
Кількість контактів, що розмикають 2
Максимальна температура навколишнього середовища 55
Мінімальна температура навколишнього середовища -35
Номінальна робоча напруга за змінним струмом 380
Номінальний струм 630
Інтерфейс для підключення зовнішніх пристроїв RS232, RS485
Кількість програмованих входів 8
Кількість програмованих виходів 3
Відгуки покупців
Написати відгук
Ваша оцінка